Запросить
коммерческое предложение
коммерческое предложение
Нужна консультация?
Закажите обратный звонок
Мы свяжемся с Вами в ближайшее время
Мы свяжемся с Вами в ближайшее время
Остались вопросы?
Свяжитесь с нами удобным способом
Назначение
Характеристики
Описание
Комплектация
Назначение вальцев трёхвалковых листогибочных ИБ2216В
- Машина листогибочная трёхвалковая ИБ2216В предназначена для гибки цилиндрических обечаек из листового металла максимальным размером 2000х4 мм с пределом текучести σт=250 МПа (25 кгс/мм. кв.) в холодном состоянии.
- На машине допускается гибка конических обечаек из листового металла при их комплектовании соответствующим приспособлением.
- С целью расширения технологических возможностей машины могут комплектоваться инструментом для гибки уголков, полос, квадратов, труб, швеллеров.
- Для удобства эксплуатации, машина может комплектоваться средствами механизации: стол передний, механизм съема изделия, стол приемный, механизм поддержки обечайки.
- Машина листогибочная трёхвалковая изготовлена по ТУ3828-002-66656357-2021.
- Базовое климатическое исполнение УХЛ категория размещения 4 по ГОСТ 15150.
Технические характеристики ИБ2216В
| Наибольшая толщина изгибаемого листа из материала с пределом текучести σт=250 МПа (25 кгс/мм2): | |
| - при гибке, мм | 4 |
| - при подгибке, мм | 3 |
| Ширина листа, мм | 2000 |
| Наименьший радиус гибки, мм | 125 |
| Скорость проката регулируемая плавно, м/мин | 8.6 |
| Диаметр верхнего валка, мм | 180 |
| Диаметр бокового валка, мм | 145 |
| Мощность главного электродвигателя, кВт | 7.6 |
| Мощность электродвигателя привода регулировки валков, кВт | 1.5 х 2 |
| Мощность электродвигателя привода откидной опоры, кВт | 0.55 |
| Габаритные размеры: | |
| - слева-направо, мм | 3810 |
| - спереди-назад, мм | 1550 |
| - высота над уровнем пола, мм | 1300 |
| Масса машины без средств механизации, кг | 3130 |
УСТРОЙСТВО, РАБОТА ТРЕХВАЛКОВОЙ ЛИСТОГИБОЧНОЙ МАШИНЫ ИБ2216В И ЕЁ СОСТАВНЫХ ЧАСТЕЙ
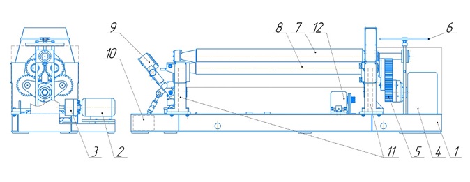
Общий вид листогибочной машины ИБ2216В без средств механизации

|
Позиция |
Наименование |
|
1 |
Рама |
|
2 |
Эл. двигатель главного привода |
|
3 |
Тормозное устройство |
|
4 |
Редуктор главного привода |
|
5 |
Зубчатая передача |
|
6 |
Регулируемая опора верхнего вала |
|
7 |
Верхний вал |
|
8 |
Валки боковые |
|
9 |
Опора откидная |
|
10 |
Эл. двигатель + редуктор откидной опоры |
|
11 |
Механизм регулировки боковых валков |
|
12 |
Эл. двигатель + ременная передача + редукторы механизма регулировки боковых валков |
Принцип работы машины заключается в свободной гибке листа, помещенным между верхним и боковым валками. Перемещая боковые валки вверх, подгибают лист, вследствие чего участок листа под верхним валком получает пластическую деформацию изгиба. При вращении валков за счет сил трения между валками и изгибаемым листом, последний движется в направлении вращения валков.
При проходе через зону деформации участки листа получают последовательную, равномерную по длине, остаточную кривизну. Различная установка боковых валков по отношению к верхнему валку обеспечивает изменение радиуса гибки.
Гибка листа на малые радиусы ограничивается силой сцепления приводимых валков с изгибаемым листом, и производиться на несколько последовательных пропусков (проходов).
Правая опора верхнего валка размещена на правой стойке, а левая поддерживается откидной опорой, при откидывании которой можно снять готовое изделие с верхнего валка. Механизм регулировки боковых валков и механизм наклона откидной опоры имеют индивидуальные приводы.
Управление машиной кнопочное, осуществляется с общего пульта управления.
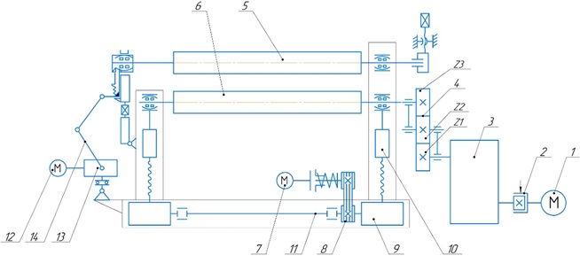
Схема кинематическая ИБ2216В
Электродвигатель 1 главного привода через клиноременную передачу 2-3, редуктор 4, зубчатое зацепление 5-6 передается движение боковым валкам 7, установленным в поворотных рычагах 16. Каждый боковой валок имеет индивидуальный привод. Защита от перегрузок осуществляется фрикционными муфтами 10.
Привод откидной опоры 20 осуществляется от отдельного электродвигателя 21, через муфту 22, редуктор 23 и винтовую пару 24. В вертикальном положении опора закрепляется фиксаторами 25. Для быстрого останова валков имеется тормозное устройство 39.
Привод поддерживающего ролика 32 механизма поддержки обечайки осуществляется от электродвигателя 28 через муфту 29 и винтовую пару 31.
Каретка 37 механизма съема приводиться в движение электродвигателем 33, через редуктор 43. Канат через блоки 42 натягивается винтом 36.
|
Позиция |
Наименование |
Примечание |
|
1 |
Электродвигатель главного привода |
1 шт |
|
2 |
Тормозное устройство |
1 шт |
|
3 |
Редуктор |
1 шт |
|
4 |
Зубчатая передача |
Z1=64 m=8 - 1 шт; Z2=31 m=8 - 2 шт; Z3=27 m=8 - 2 шт |
|
5 |
Вал верхний |
Ф180 |
|
6 |
Валки боковы |
Ф150, Ф150 |
|
7 |
Электродвигатели механизма регулировки боковых валков |
2 шт |
|
8 |
Ременная передача механизма регулировки боковых валков |
2 шт |
|
9 |
Червячный редуктор |
4 шт |
|
10 |
Механизм регулировки боковых валков |
4 шт |
|
11 |
Соединительный вал редукторов |
2 шт |
|
12 |
Электродвигатель механизма откидной опоры |
1 шт |
|
13 |
Червячный редуктор механизма откидной опоры |
1 шт |
|
14 |
Механизм откидной опоры |
1 шт |
|
Наименование |
Количество |
|
Редуктор 3МП - 31.5-22.4 |
1 |
|
Редуктор Ч-16040-58-1-К |
1 |
|
Редуктор Ч-80-31,5-56-4-1 |
4 |
Стол передний листогиба ИБ2216В

Стол передний – неприводной. На его верхнюю плоскость укладывается лист перед подачей в рабочую зону машины. (поставляется опционально)
Стол приемный листогиба ИБ2216В

Обечайка сталкивается на стол приемный, откуда краном подается на постоянное место складирования. (поставляется опционально)
Система смазки листогибочной машины ИБ2216В
Смазка машины обеспечивается следующим способами:
- шприцем через масленку;
- набивкой в корпус редукторов.
Перед первоначальным пуском машины необходимо заправить редукторы смазочным материалом согласно табл. Ввиду простоты конструкции смазочной системы перечень возможных нарушений ее работы не приводится. Подшипники качения смазывать не реже одного раза в год.
.jpg)
Порядок установки листогибочной машины ИБ2216В
Транспортирование
Транспортировать машину тросами – зачаливанием за верхний валок в местах меньшего диаметра. Бочка верхнего валка ограничивает перемещение тросов и обеспечивает надежность их фиксированного положения. Тросы по длине могут быть равные (с целью размещения центра тяжести на одной оси с крюком), что обеспечивает устойчивое положение машины в горизонтальной плоскости (∆L=0). Упакованные машины зачаливают за нижний брус в местах, указанных на упаковке.
Перед установкой машины на фундамент необходимо тщательно очистить машину от антикоррозийных покрытий, и покрыть валки тонким слоем масла «И-50А» во избежание коррозии. Очистку производить сначала деревянной лопаточкой, а остатки смазки с наружных поверхностей удалить чистыми салфетками, смоченными бензином или бензин – растворителем.
Установка
Машина, электрошкаф, стол передний, стол приемный устанавливаются на фундамент.
ВНИМАНИЕ! Крепежные элементы заводом-изготовителем не поставляются и приобретаются заказчиком самостоятельно.
Таблица 4 Перечень крепежных элементов
|
Оборудование |
Наименование |
Кол-во |
|
Машина листогибочная |
Болт фундаментный изогнутый М16x500 ГОСТ 24379.1-2012 |
4 |
Точность работы машины зависит от правильности ее установки. Машину установить на фундамент и выверить в двух плоскостях при помощи уровней, установленных на поверхности в левой и правой его частях. Отклонение не должно превышать 0,5/1000 мм.
После установки машины на фундамент проверить нормы точности. При необходимости выставить параллельность валков.
Порядок регулировки параллельности:
- рассоединить зубчатую муфту привода регулировки боковых валков. Параллельность регулируется вращением полумуфты (вручную).
- собрать муфту.
- выставить верхний валок параллельно боковым, за счет перемещения откидной опоры.

- а) механизма поддержки обечайки;
- б) стола/рольганга переднего и стола/рольганга приемного;
- в) машины.
Расконсервация
Перед установкой машины ИБ2216В на фундамент необходимо тщательно очистить машину от антикоррозийных покрытий, и покрыть валки тонким слоем масла «И-50А» во избежание коррозии. Очистку производить сначала деревянной лопаточкой, а остатки смазки с наружных поверхностей удалить чистыми салфетками, смоченными бензином или бензин – растворителем.
Установка
Точность работы машины зависит от правильности ее установки. Машину установить на фундамент и выверить в двух плоскостях при помощи уровней, установленных на поверхности в левой и правой его частях. Отклонение не должно превышать 0,5/1000 мм.
Фундамент

После установки машины ИБ2216 на фундамент проверить нормы точности. При необходимости выставить параллельность валков.
Порядок регулировки параллельности:
- рассоединить зубчатую муфту привода регулировки боковых валков. Параллельность регулируется вращением полумуфты (вручную).
- собрать муфту.
- выставить верхний валок параллельно боковым, за счет перемещения откидной опоры.
Подготовка листогибочной машины ИБ2216В к первоначальному пуску
- подсоединить машину к общей системе заземления;
- подключить машину к электросети, проверив соответствие напряжения сети и электрооборудование (присоединение электрооборудования к сети и электрошкафу производить согласно схеме соединения);
- перед включением станка ознакомиться с назначением органов его управления на пульте;
- выполнить указания, изложенные в разделах смазка и электрооборудование;
- работу всех механизмов после включения машины необходимо опробовать на холостом ходу.
Порядок работы на листогибочной машине ИБ2216В
Окалину с листовых заготовок следует перед гибкой удалить. Очищение от окалины листа обеспечивает необходимое скольжение между валками.
Гибка заготовки с валком сварного шва, выступающим за пределы толщины листа не допускается и может привести к поломке машины.
Работа на машине производится в следующем порядке.
Лист заводится между верхним и боковыми валками. При этом кромка листа должна быть выставлена параллельно образующей переднего бокового валка.
Задний боковой валок перемещается в крайнее нижнее положение. Передний боковой валок перемещается в крайнее верхнее положение и осуществляется зажим листа.
Передний боковой валок перемещается вверх и производится подгибка передней кромки листа.
Боковые валки устанавливаются по симметричной схеме (на одном уровне относительно верхнего валка).
Лист перемещается в крайнее верхнее положение.
Производится подгибка второй кромки листа, аналогично первой.
Боковые валки устанавливаются по симметричной схеме.
Производится гибка листа в цилиндр.
Радиус гибки зависит от положения боковых валков относительно верхнего, контроль которых осуществляется с помощью линеек, расположенных на правой стойке машины.
Открывается откидная опора верхнего валка и обечайка снимается.
ВНИМАНИЕ
Так как подгибка кромок листа осуществляется по ассиметричной схеме, то в этом случае возникают большие радикальные усилия, чем при симметричной схеме.
По этой причине на машине возможна подгибка кромок меньшей толщины относительно номинальной см. характеристики машины.
При работе требуется большое внимание и правильность регулировки и установки заготовок в валках, а также наблюдение за перемещением заготовки в процессе гибки.
После каждого перехода следует проверять параллельность кромки листа, образующей валка. Неплоская заготовка должна быть предварительно выправлена, т.к. наличие искривленности вызывает ее перекос и смещение торцовых кромок у обечайки.
Смещение кромок исправляются путем обратного перекоса обечайки в валках. Правка возможна, если обечайка согнута не полностью.
Во избежание поломки откидной опоры необходимо периодически проверять положение верхнего валка относительно боковых.
Правила эксплуатации
Оборудование должно эксплуатироваться в режиме односменной работы (не более 8 рабочих часов в сутки). Несоблюдение данного правила эксплуатации является причиной преждевременного износа и выхода оборудования из строя.
Наладка инструмента

|
Наименование проката |
Размеры |
|
Уголок сдвоенный |
40х40х4 |
|
Rmin** |
250 |
|
Полоса «на ребро» |
20х50 |
|
Rmin** |
250 |
|
Квадрат |
33х33 |
|
Rmin** |
250 |
|
Труба |
Ø10;20;32 |
|
Rmin** |
250 |
|
Швеллер |
№8 |
|
Rmin** |
250 |
ВНИМАНИЕ
Гибка листа с параметрами, указанными в таблице производится не менее, чем за три прохода.
При гибке заготовок из листового материала и другими параметрами, необходимо определить размеры их сечения, наименьший радиус гибки исходя из условия, что расчетные изгибающие моменты не должны превышать номинальных изгибаемых моментов для листа соответствующего размера.
Регулирование
В процессе эксплуатации машины возникает необходимость регулирования отдельных составных частей машины с целью восстановления их нормальной работы.
Регулирование предохранительных фрикционных муфт в приводе регулировки боковых валков заключается в регулировке сжатия пружин. При этом, необходимо обеспечить срабатывание муфты (1,1…1,3) при расчетной мощности двигателя 3,2…3,7, кВт.
Регулирование натяжения клиновых ремней главного привода, привода регулировки боковых валков.
Во избежание повышенного скольжения или чрезмерного натяжения, снижающего долговечность ремней, необходимо периодически контролировать натяжение ремней.
Для регулировки натяжения ремней необходимо снять ограждение, отвернуть на 1,5 – 2 оборота болты, крепящие салазки, и вращая винт, добиться требуемого натяжения ремней.
Регулирование параллельности верхнего валка боковыми валками.
После гибки, регулирование останова боковых валков в крайних нижних положениях производить перемещением кронштейнов с конечными выключателями.
Регулирование угла откидной опоры в крайнем верхнем и крайнем нижнем положениях производить перемещением кронштейнов по пазам с закрепленными на них конечными выключателями и с регулированием момента срабатывания выключате
По Техническому Заданию заказчика машина листогибочная 3-х валковая модели ИБ может быть изготовлена с шириной до 2000 мм и толщиной гибки до 4 мм, при этом могут измениться габаритные размеры и масса машины. Подробное ТКП можно получить после предоставления Технического Задания.Технические изменения, существенно не влияющие на характеристики листогибочных машин, завод-изготовитель оставляет за собой
Стандартная комплектация ИБ2216В
- Трехвалковая листогибочная машина ИБ2216В в сборе.
- Выносной пульт управления.
- Откидная опора верхнего валка с электромеханическим приводом.
- Электрический шкаф управления.
- Шприц рычажно-плунжерный для смазки.
- Документация
- Комплект технической документации (паспорт и руководство по эксплуатации).
- Декларация соответствия теребованиям ТР ТС.
- Паспорта (формуляры) на комплектующее оборудование и КИП.
Дополнительные опции ИБ2216В
- Инструмент для гибки сортового проката.
- Приемный стол СП-1.
- Передний стол.
- Механизм съема изделия.
- Механизм поддержки обечайки.
- Приспособление для гибки конических обечаек.
- Дублирующий пульт дистанционного управления.
ПромСтройМаш является непосредственным производителем ИБ2216В Мы производим и продаём Вальцы трехвалковые листогибочные ИБ2216В во все регионы РФ и страны ближнего зарубежья, такие как Беларусь, Казахстан. ИБ2216В нашего производства хорошо зарекомендовали себя в Москве, Ярославле, Нижнем Новгороде, Екатеринбурге, Новосибирске и других городах России. Купить ИБ2216В вы можете непосредственно у нас или у наших дилеров. Ширина изгибаемого листа 2000мм; толщина при гибке 4мм, при подгибке 3мм

