Запросить
коммерческое предложение
коммерческое предложение
Нужна консультация?
Закажите обратный звонок
Мы свяжемся с Вами в ближайшее время
Мы свяжемся с Вами в ближайшее время
Остались вопросы?
Свяжитесь с нами удобным способом
Назначение
Характеристики
Описание
Комплектация
Назначение ножниц гильотинныx электромеханическиx МНГ 16
Ножницы гильотинные модели МНГ16 (в дальнейшем ножницы), предназначены для резки листовой стали с временным сопротивлением σвр= 450 МПа.
При комплектации сортовой секцией используются для резки сортового проката.
Ножницы гильотинного типа МНГ 16 широко применяются в различных отраслях промышленности, где требуется высокая точность и скорость обработки материалов.
Электромеханические ножницы гильотинного типа для передвижения секущего ножа применяют электрический двигатель, который приводит в движение ползунок, на котором установлен секущий нож.
Одним из преимуществ электромеханических ножниц гильотинного типа является высокая скорость работы и возможность точной настройки интенсивности сжатия. Благодаря электрическому двигателю, эти ножницы способны производить многочисленные резы в минуту, что делает их идеальными для массовой обработки материалов. Кроме того, электромеханические ножницы обычно обладают большей прочностью и долговечностью.
Базовое климатическое исполнение УХЛ категория размещения 4 по ГОСТ 15150.
Технические характеристики МНГ 16
| Толщина разрезаемых листов с временным сопротивлением σвр=450 МПа, мм | 16, не более |
| Ширина разрезаемых листов, мм | 2000, не более |
| Длина листа отрезанного с упором, мм | 500 |
| Размер разрезаемого уголка, мм | 63х63х6 |
| Диаметр разрезаемого прутка, мм | 30, не более |
| Частота ходов ножа, холостых на повышенной скорости, мин-1 | 40, не менее |
| Ход ножа, мм | 4 |
| Угол наклона подвижного ножа | 2°10´ |
| Нож листовой, мм | 60 |
| Расстояние от верхней кромки нижнего ножа до уровня пола, мм | 800 |
| Расстояние от уровня пола до верхней кромки неподвижного стола, мм | 2240 |
| Мощность электродвигателя главного привода, кВт | 22 |
| Тип муфты | с поворотной шпонкой |
| Тип тормоза | ленточный |
| Система смазки | пресс-масленки, ручная |
| Режим работы | одиночный и автоматический ход |
| Управление | кнопочное, педальное |
| Длина | 3100 |
| Ширина | 2000 |
| Высота | 2230 |
| Масса, кг | 7500 |
УСТРОЙСТВО И РАБОТА НОЖНИЦ ГИЛЬОТИННЫХ МОДЕЛИ МНГ 16
Общий вид с обозначением составных частей ножниц электромеханических МНГ 16
.jpg)
1 - Станина
2 - Привод
3 - Балка ножевая
4 - Прижим
5 - Упор задний
6 - Валы приводные
7 - Муфта включения
8 - Уравновешиватель
9 - Электромагнитное управление
10 - Тормоз
11 - Кожух
12 - Решетка защитная
13 - Электрооборудование
14 - Пульт управления
Ножницы приводятся в движение электродвигателем 1. Шкив 2, сидящий на валу электродвигателя, с помощью клиноременной передачи 3, приводит во вращение маховик 4. Маховик 4 закреплен на приводном валу I. На другом конце вала I закреплен инерционный маховик 10. На вал I посажена шестерня 5, находящаяся в зацеплении с зубчатым колесом 6, которое закреплено на промежуточном валу II. Шестерня 7 посажена на другом конце вала II и находится в зацеплении с зубчатым колесом 8, внутри которого смонтирована муфта включения 9 с поворотными шпонками. Включение и выключение муфты производится электромагнитом 11, системой рычагов 12 и пружин, расположенных на крышке муфты. При включении электромагнита муфта передает вращательное движение эксцентриковому валу III, который через шатуны 13 приводит в возвратно-поступательное перемещение ножевую балку 14. При движении ножевой балки вниз прижимная балка 17 прижимает отрезаемый лист к столу в момент реза. Движение прижима связано с перемещением ножевой балки. Для снижения динамических нагрузок предусмотрены уравновешиватели 15 ножевой балки. Подъем прижима 17 происходит при подъеме ножевой балки, когда упоры 18, установленные на ней, увлекают вверх прижим.
Для остановки ножевой балки 14 в крайнем верхнем положении служит тормоз 19, установленный на правом конце вала III.
Станина ножниц электромеханических МНГ 16
Все механизмы и узлы установки смонтированы на станине.
Станина представляет собой сварную конструкцию, состоящую из двух стоек, связанных между собой стяжками и столом. Стол крепится к стойкам болтами. К столу винтами крепятся нижние ножи. Для удаления отрезанных заготовок предусмотрен склиз.
Привод ножниц электромеханических МНГ 16
Электродвигатель ножниц шарнирно закреплен на плите станины. Регулировка натяжения клиновых ремней осуществляется изменением угла наклона электродвигателя с помощью натяжного винта.
Муфта включения ножниц электромеханических МНГ 16

Муфта включения при помощи втулки 2 жестко крепится в ступице колеса 12. При отключенном электромагните втулка 2 свободно вращается с колесом 12, не входя в зацепление с втулкой 7, заклиненной относительно вала 14, шпонкой 13. Втулки 8 и 9 являются подшипниками скольжения.
При включении электромагнита хвостовик 4, расположенный на правом конце шпонки 10, освобождается от упора электромагнита, и пружины 6 приводят в действие рычаги 5. Рычаги 5 поворачивают рабочую 10 и запорную 11 шпонку муфты включения, и они занимают рабочее положение, войдя в пазы втулок 7 и 2, жестко связывают их между собой. От колеса 12 через втулки 1, 2, 3 вращение передается втулке 7, от нее через шпонку 13, вращение передается на вал 14. Вал делает один оборот (рабочий ход), хвостовик упирается в палец, поворачивая рабочую шпонку 10 и, одновременно, через рычаги 5 запорную шпонку 11, муфта отключается.
В режиме холостого хода зубчатое колесо свободно вращается на паре подшипников скольжения 8 и 9.
Ножевая балка
Ножевая балка представляет собой сварную конструкцию Г-образной формы, усиленную ребрами жесткости. К балке винтами крепятся ножи для резки.
Прижим и защитная решетка
Во время работы ножниц разрезаемый лист прижимается к столу прижимной балкой. При движении ножевой балки вниз прижимная балка зажимает лист, а затем начинается рез. Подъем прижима осуществляется упорами ножевой балки, упирающимися в платики прижима.
Регулировка усилия прижима производится гайками, сжимающими пружину прижимной балки.
К направляющим планкам прижима жестко закреплена защитная решетка, предохраняющая руки рабочего от попадания под прижим. При снятой защитной решетке срабатывает электрическая блокировка, и ножницы автоматически отключаются.
Упор задний ножниц электромеханических МНГ 16
Установка снабжена задним упором для резки листа заданного размера. Задний упор состоит из упорной линейки и двух цилиндрических реек, перемещаемых вручную. При резке листа длиной более 500 мм уголок упора снимается.
Для резки сортового проката на ножницах предусмотрен упор для сортовых ножей.
Уравновешиватели ножниц электромеханических МНГ 16
Уравновешиватели служат для компенсации веса ножевой балки, снижение динамических нагрузок при работе на ножницах.
Уравновешиватель состоит из двух наборов пружин, установленных в стаканах, приваренных к швеллерной коробке станины.
Штоки уравновешивателя шарнирно соединены с ножевой балкой.
Ограждения ножниц электромеханических МНГ 16
Ограждения ножниц сварной конструкции выполнено из тонколистовой стали. Состоит из кожухов, которые закрывают шкив мотора, маховик, клиноременную передачу шестерни и зубчатые колеса. Все ограждения крепиться к станине болтами.
Кинематическая схема ножниц электромеханических МНГ 16

|
Модель установки |
Число зубьев/модуль |
Мощность электродвигателя, кВт |
|||
|
Z1/m1 |
Z2/m2 |
Z3/m3 |
Z4/m4 |
||
|
МНГ16 |
19/10 |
52/10 |
19/12 |
75/12 |
22 |
СМАЗКА ГИЛЬОТИННЫХ НОЖНИЦ МОДЕЛИ МНГ 16
Схема смазки ножниц электромеханических МНГ 16

|
№ |
Точка |
Способ |
Материал |
Период. |
|
1-2 |
Опора эксцентрикового вала |
Пресс масленки |
ЦИАТИМ-203 ГОСТ 8773-73 |
1 раз в смену |
|
3-4 |
Эксцентрики вала |
|||
|
5-6 |
Пальцы шатуна |
|||
|
7-10 |
Ножевая балка |
Шприцем |
||
|
11-12 |
Прижимная балка |
|||
|
13 |
Муфта включения |
|||
|
14 |
Оси электромагнитного управления |
|||
|
15-16 |
Оси тормоза |
|||
|
17-18 |
Опоры валов |
Набивка |
1 раз в 6 мес. |
|
|
19-22 |
Шестерни |
В ручную |
раз в 2 смены |
Подача смазки осуществляется до тех пор, пока смазка не начнет выступать с боков смазываемых поверхностей.
ТОЛЬКО ЭТО ДАЕТ ВОЗМОЖНОСТЬ КОНТРОЛИРОВАТЬ ДОСТАТОЧНОСТЬ СМАЗКИ.
Выступающую из зазоров смазку необходимо удалить ветошью.
Необходимо периодически проверять состояние масленок и маслопроводящих отверстий.
НЕ РЕЖЕ ОДНОГО РАЗА В ТРИ МЕСЯЦА СМАЗОЧНЫЕ ОТВЕРСТИЯ СЛЕДУЕТ ПРОМЫВАТЬ БЕНЗИНОМ.
ПОРЯДОК УСТАНОВКИ ГИЛЬОТИННЫХ НОЖНИЦ МОДЕЛИ МНГ 16
Ножницы поставляются заказчику в собранном виде.
Подъем ножниц в распакованном виде следует производить за отверстия в станине, согласно схеме, приведенной на рисунке.
Схема строповки ножниц электромеханических МНГ 16

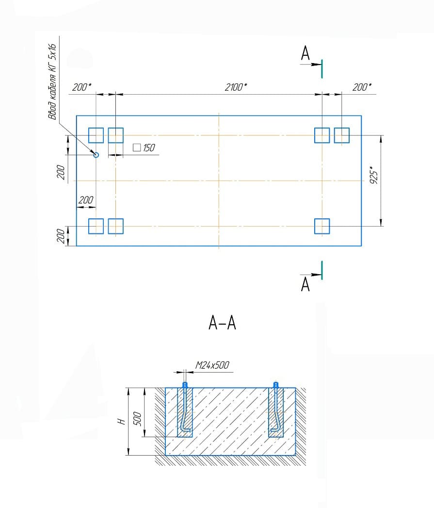
Монтажный чертеж ножниц приведен на рисунке. Глубина фундамента Н принимается в зависимости от характера грунта, но не менее 800 мм.
Горизонтальное положение ножниц на фундаменте производится с помощью клиньев и проверяется уровнем, установленным на строганой поверхности стола ножниц. Точность монтажа в поперечном и продольном направлениях должна быть не менее 0,2 мм. На длине 1000 мм.
После монтажа ножниц на фундаменте необходимо провести расконсервацию. Снятие антикоррозийного покрытия осуществляется деревянной лопаточкой и ветошью, смоченной бензином Б-70 ГОСТ 51-82.
Расконсервированные обработанные поверхности во избежание коррозии покрыть тонким слоем масла «Индустриальное 80» ГОСТ 20799-88.
Фундамент ножниц электромеханических МНГ 16
.jpg)
1. Глубина заложения фундамента H принимается в зависимости от грунта.
2. Колодцы 150 заливаются после установки оборудования на основание фундамента, предварительно вставив в них нкерные болты M24.
3. *Размеры для справок.
ПОРЯДОК РАБОТЫ ГИЛЬОТИННЫХ НОЖНИЦ МОДЕЛИ МНГ 16
Подготовка к первоначальному пуску ножниц электромеханических МНГ 16
Требования, изложенные ниже, обязательны при пуске ножниц после монтажа, а также после ремонта или длительного перерыва в эксплуатации.
- Демонтировать защитный кожух, ослабить натяжения ремней, демонтировать ремни.
- Заземлить ножницы, подключить ее к электросети, проверив соответствие напряжения сети и электрооборудования ножниц.
- Подключить педаль.
- Выполнить указания, изложенные в разделе Смазка.
- Проверить затяжку всех болтов и их стопорение.
- Включить вводный автомат.
- Включить электродвигатель привода нажатием кнопки «Пуск» и разогнать маховик. Проверить направление вращения шкива двигателя. Шкив должен вращаться по часовой стрелке, если смотреть на него со стороны шкива. При вращении в противоположном направлении сменить чередование фаз на вводных клемниках.
- Повторить пункт 7.
- Установить и натянуть ремни.
- Установить защитный кожух.
Приступая к работе, необходимо выполнить следующие требования:
- Смазать ножницы, согласно рисунка 4.
- Настроить задний упор на требуемую длину реза заготовок. Расстояние от режущих кромок нижнего ножа до заднего упора определяется по линейкам, укрепленным на рейках заднего упора.
- Установить необходимый зазор между верхними и нижними ножами. Для этого необходимо ослабить болты поз.1 и поз.3 рисунок 5, которыми крепится стол к станине. Вращая вручную маховик по стрелке, указанной на кожухе, опускать ножевую балку вниз до перекрытия ножей стола и ножевой балки (10 мм. – перекрытие ножей).
Подвинуть стол вперед и установить необходимый зазор, затем, опуская ножевую балку вниз, промерить зазор по всей длине ножей слева направо. После установки зазора затянуть болты. Движение стола назад относительной ножевой балки осуществляется болтами позиции 2 рисунок 5. Зазоры между направляющими и ножевой балкой обеспечить прокладками поз.4 рисунок 5.
Величина зазора устанавливается согласно таблицы
|
Толщина разрезаемого листа, мм |
1-3 |
3-6,3 |
6,3-10 |
10-13 |
13-16 |
|
Величина зазора, мм |
0,03-0,1 |
0,1-0,2 |
0,2-0,3 |
0,3-0,4 |
0,5-0,6 |
- Включить муфту при максимальных оборотах маховика.
- Сделать несколько холостых ходов, убедиться, что ножницы работают исправно.
Во время работы:
- Не допускать к ножницам посторонних лиц.
- НЕ ДОПУСКАТЬ РЕЗКИ ЛИСТОВ МАКСИМАЛЬНОЙ ТОЛЩИНЫ С ПРЕДЕЛОМ ПРОЧНОСТИ БОЛЕЕ 500 МПа. В случае резки листа с пределом прочности выше 500МПа, максимально допустимая толщина его рассчитывается по формуле:
Максимальная толщина листа с пределом прочности более 500МПа определяется по формуле: δх=δ х √(500/σх )мм.
где δх – максимально допустимая толщина листа с пределом прочности более 500МПа
δ – максимально допустимая толщина реза указанная в характеристике ножниц, мм
σх – предел прочности разрезаемого листа, МПа.
- НЕ ДОПУСКАТЬ РЕЗКИ ЛИСТОВ ЗАТУПЛЕННЫМИ НОЖАМИ. Ножи выполнены с четырьмя режущими кромками, при затуплении режущих кромок ножи периодически переворачиваются. Затупившиеся ножи необходимо перешлифовать.
- При резке заготовок длиной более 800 мм. во избежание утяжки листа применять опоры для поддержании отрезаемой заготовки.
- При отсутствии электроэнергии выключить вводный автоматический выключатель на электрошкафу.
По окончании работы:
- Остановить привод ножниц.
- Выключить вводный автоматический выключатель.
- Произвести уборку ножниц и смазать ее.
- Сообщить сменщику обо всех замеченных неполадках.
Регулировка зазора ножниц электромеханических МНГ 16

Правила эксплуатации ножниц электромеханических МНГ 16
Оборудование должно эксплуатироваться в режиме односменной работы (не более 8 рабочих часов в сутки). Несоблюдение данного правила эксплуатации является причиной преждевременного износа и выхода оборудования из строя.
ХАРАКТЕРНЫЕ НЕИСПРАВНОСТИ ГИЛЬОТИННЫХ НОЖНИЦ МОДЕЛИ МНГ 16 И МЕТОДЫ ИХ УСТРАНЕНИЯ
Перечень наиболее часто встречающихся неисправностей приведен
|
Неисправность |
Причина |
Способ устранения |
|
1.Подшипники скольжения шатунов, букс греются, в смазке находятся частицы бронзы |
а) малый зазор между шейками валов и вкладышами б) отсутствует смазка |
а) пришабрить вкладыш
б) проверить поступление смазки |
|
2.Тугое скольжение ножевой балки |
а) износ прокладок б) отсутствует смазка |
а) заменить прокладки б) проверить поступление смазки |
|
3.В режиме одиночного хода ножевая балка не останавливается в верхней точке |
а) изношена тормозная лента тормоза б) ослаблена пружина в) на тормозной барабан попало масло г) износ деталей муфты включения д) разрегулировано электромагнитное управление е) износ деталей электромагнитного управления ж) не срабатывает муфта включения |
а) сменить ленту
б) подтянуть пружину в) удалить смазку с рабочей поверхности тормоза г) заменить изношенные детали д) отрегулировать электромагнитное управление е) заменить изношенные детали ж) отрегулировать муфту включения |
|
4.При нажатии на кнопки или педаль не происходит включение ножниц |
Неполадка в электросхеме |
Зачистить контакты, проверить исправность пускателей, проверить исправность предохранителей |
|
5.Электродвигатель при пуске не развивает полных оборотов |
а) обрыв питающей цепи
б) неполадка в пусковой аппаратуре |
а) проверить по схеме и устранить б) проверить по схеме и устранить |
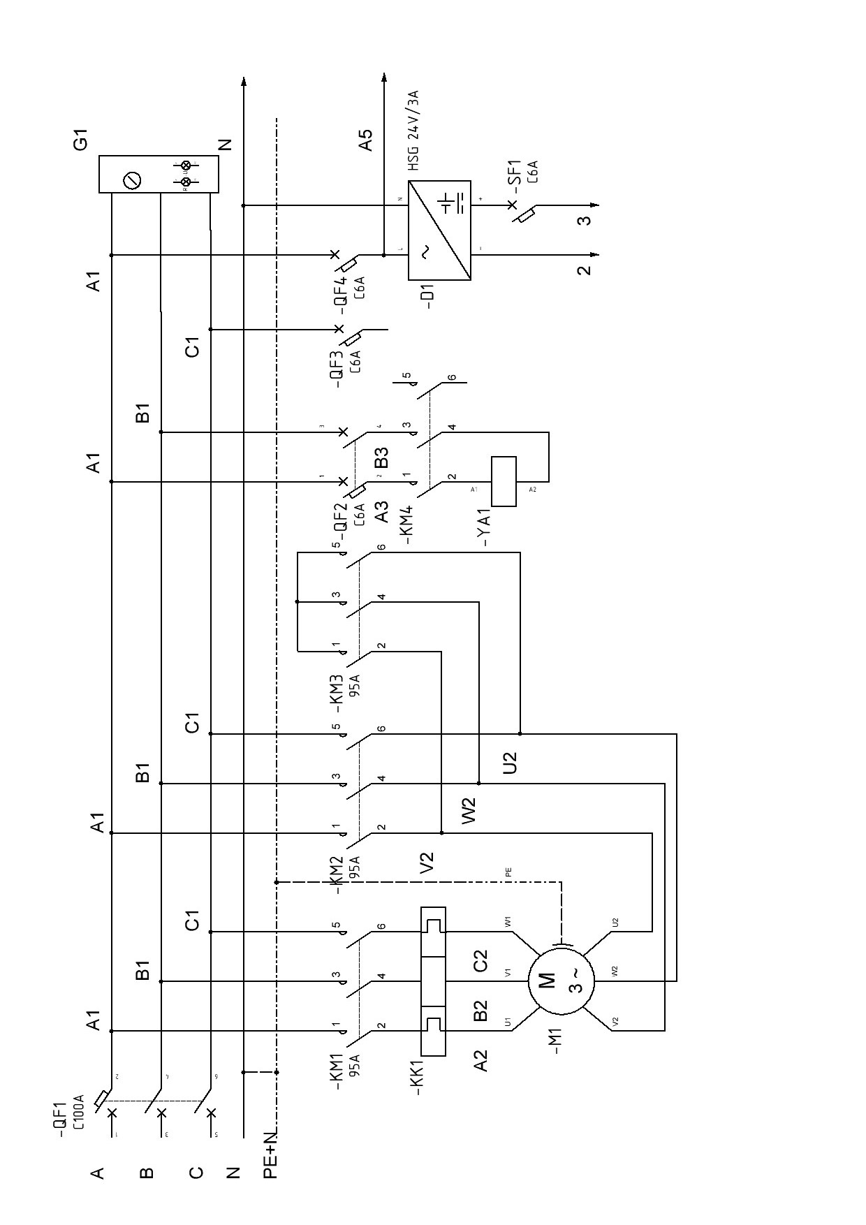
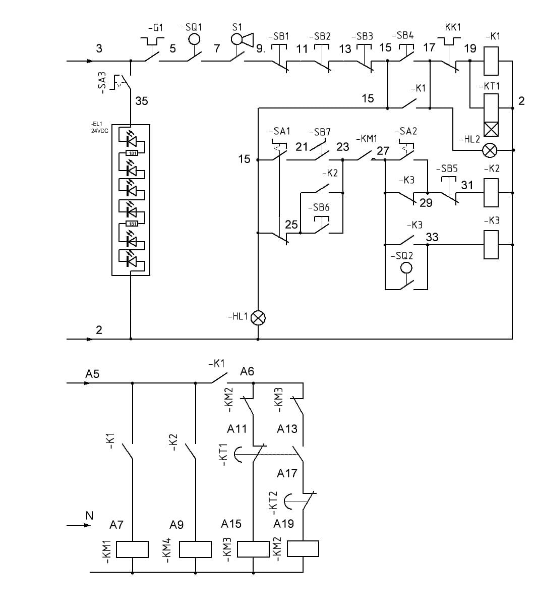
ЭЛЕКТРООБОРУДОВАНИЕ ГИЛЬОТИННЫХ НОЖНИЦ МОДЕЛИ МНГ 16
Род тока – переменный, 3-х фазный.
Напряжение – 380; 50Гц.
Напряжение цепей управления, сигнализации и освещения: 24В постоянного тока;
Шкаф управления установлен на агрегате. На правой стенке шкафа установлен вводный автомат. Все кнопки и переключатели установлены на панели управления.
Описание работы ножниц электромеханических МНГ 16
Электрическая схема ножниц предусматривает следующие режимы:
- отключено;
- ручное управление;
- педальное управление;
- автоматический цикл;
- одиночный ход.
Символы органов управления показаны на рисунке 8.
Выбор режимов осуществляется переключателями, установленным на пульте управления.
Запуск главного двигателя в обратном направлении ЗАПРЕЩЕНО, т.к приведет к риску получения травм из-за выхода из строя механизма включения муфты. Важно помнить, что пуск двигателя производится по двум схемам, разгон в сборке «звезда» и выход на номинальные обороты в сборке «треугольник» и поэтому занимает какое-то время от 30-60 сек. Реле КТ1 время разгона и КТ2 время переключения между сборками.
Запуск главного двигателя осуществляется кнопкой SB4(4) после включения вводного автоматического выключателя SQ1 на боковой стенке электрошкафа, при условии правильного подключения чередования фаз. Реле асимметрии фаз G1 проводит проверку и подаёт напряжение цепи управления на ключ марку S1(3) через защитный конечный выключатель SQ1 на защитном экране, который питает схему управления через стоповые кнопки с фиксацией SB1, SB2(11) и стоп главного двигателя SB3(6).
Ручное управление
Переключатель режимов SA1 ставится в положение «Ручное управление», при нажатии кнопки SB6 происходит одиночный цикл: включается реле К2, которое включает KМ2, и включает электромагнит YА1, который включает муфту.
Педальное управление
Переключатель режимов SA1 ставится в положение «Педальное управление», и при нажатии педали SB7 происходит одиночный цикл.
Автоматический цикл
Переключатель режимов SA2 ставится в положение «Автоматический цикл», и при нажатии кнопки SB6 либо SB7 включается К2 и KМ2 и становится на самопитание, электромагнит YА1 постоянно включен, происходят непрерывные хода (циклы) ножевой балки. Отключение производится кнопкой SB5.
Защита и блокировка
Защита схемы осуществляется автоматическими выключателями. Тепловая защита двигателя осуществляется тепловым реле. Электросхемой предусмотрена блокировка – невозможность работы ножниц, если решетка снята, то есть конечный выключатель SQ1 должен быть нажат.
Указания по монтажу и эксплуатации ножниц электромеханических МНГ 16
Ножницы должны быть надежно заземлены.
Эксплуатация электрооборудования ножниц должна производится в соответствии с «Правилами технической эксплуатации электроустановок потребителей и правилами техники безопасности при эксплуатации электроустановок потребителей».
Органы управления ножниц электромеханических МНГ 16
Общий вид панели управления с перечнем органов управления

|
Поз. рис. |
Органы управления и их назначение |
|
1 |
Индикатор «Сеть» |
|
2 |
Индикатор |
|
3 |
Ключ |
|
4 |
Кнопки «Пуск» |
|
5 |
Переключатель |
|
6 |
Кнопка «Стоп» |
|
7 |
Переключатель |
|
8 |
Кнопка |
|
9 |
Переключатель |
|
10 |
Кнопка «Стоп непрерывного хода» |
|
11 |
Общий стоп |
Принципиальная электрическая силовая схема ножниц электромеханических МНГ 16

Принципиальная электрическая схема управления ножниц электромеханических МНГ 16

|
Обозначение |
Расшифровка |
|
HL1 |
Цепь управления ВКЛ. |
|
HL2 |
Главный двигатель ВКЛ |
|
SB1 |
общий Стоп на педали |
|
SB2 |
общий Стоп на панели управления |
|
SB3 |
Стоп двигатель |
|
SB4 |
Старт двигатель |
|
SB5 |
Стоп непрерывных ходов |
|
SB6 |
Пуск реза |
|
SB7 |
Педаль |
|
S1 |
ключ включения цепи управления 24VDC |
|
G1 |
Реле ассиметрии и чередования фаз |
|
SA1 |
переключатель «режима педаль/ рука» |
|
SA2 |
переключатель «режима одиночный\непрерывный ход» |
|
SA3 |
переключатель «освещение рабочей зоны» |
|
SQ1 |
Концевик защитного экрана |
|
SQ2 |
Концевик конец хода |
|
KT1 |
Реле времени разгона главного двигателя |
|
KT2 |
задержка включения KM2 после разгона |
мнг-16, розмры ножей мнг 16 мнг-16 б/у купить запчасти для ножниц мнг-16. промстроймаш мнг 16, https://yandex.ru/clck/jsredir?from=yandex.ru%3bsearch%3bweb%3b%3b&text=&etext=1837.wjveak-2yhu6cobbai7kcheqx5wnpi1qytcsxgcghzmqpkbcbwehrpj0u1gi_6ak.82453b361b80977a67c4d19f05d1512cb7d8b302&uuid=&state=_blhiln4sxnivvl0w45ksic66ucig23qh8irg98qeixmeppkguc0yghettdsyq_w3psjtejupwg&data=ulnrnmk5wktyejr0ewjfyk1ldmtxbzdcuetmtfj1s3dbaw0yqnjouhhrnenhrzewdljvvw04ywnsri1savzenvu3vdllwjh1ntvsavlsdxdjdnzvre1kzljxu2m4zzd4vdjtwnjvy2e0albrqud0bw05rxrlby1jtdhrm2pictlezvfcmxo1r1dhmdr4utrzdvn4ylh6wet1tvozukq0r3jfetlqcllrwjjvmuhis0owrmr4ewdxbvjongpknxnoyud3owjmylnhvw9qr1ryzzlouzhtv2q4ze9kqmjvmlu&b64e=2&sign=2cfab763d55d95ff47674e3d10e722b9&keyno=0&cst=aiuy0dbwfj7ixge4wdyjqa9gkhe_3kbie941agine0rlot7-ctj1terkslsnbbfm_r40gur2fzsaw0hi5qji6u8taoxezbpny8ya563z7g2ekqtzcgtdlbwdygibjgud_id0n6i9tlqdipw18fzzixmlmw7rwyft&ref=orjy4mgprjk5bodnw0uvlrrd71vzw9kp5uqozpmtkcwdro5jy5gjvbyw5_intjvonyeju3pueogxhde6-7xnyt5m0b-iqrr0pniwlgu9jrigaiqbika0ysctqe26wrqn&l10n=ru&cts=1530532045422&mc=0 мнг16 МНГ 16 Ножи. гильотина МНГ-16, МНГ 1,5х2500 паспорт на гильотинные ножницы мнг-16 схема мнг 16. гильотина мнг-15, ножницы гильотинные 16 нг-16 размер ножей гильотина МНГ16. гильотина мнг16, мнг 16 чем перевозить мнг 16 производитель гильотинные ножницы по металлу мнг-16 стоимость производства россии и снг. производим гильотинные ножницы длина резания не менее 3100 мм, Ножницы гильотинные МНГ-16 спрос ножницы гильотинные механические с электроприводом мнг-16 купить МНГ-16. ножницы мнг 16 паспорт, ремонт эксцентрика гильотину МНГ 16 Втулки промежуточного вала МНГ 16 МНГ-16 гильотинные ножницы.
По Техническому Заданию заказчика ножницы модели МНГ могут изготавливаться с шириной стола до 3150 мм, толщиной резки до 20 мм, при этом могут измениться габаритные размеры и масса ножниц. Подробное ТКП можно получить после предоставления Технического Задания.Технические изменения, существенно не влияющие на характеристики ножниц, завод-изготовитель оставляет за собой.
Стандартная комплектация МНГ 16
- МНГ16, Ножницы в сборе;
- МНГ16.03.000Пульт управления с педалью;
- МНГ16.300.00.001 РЭ Механическая часть;
- МНГ16.00.001 РЭ1Электрооборудование;
- МНГ16.00.001;Технический паспорт;
- Задний упор 500мм;
- Прижим листа установлен на ножницах;
- Ножная педаль с клавишей аварийного останова
- Сортовые ножи для резки уголка и прутка;
- Светодиодная линия освещения рабочей зоны.
Дополнительные опции МНГ 16
- Угловая линейка 0-180;
- Передние удлинители стола;
- Боковой упор;
- Задний упор 1000мм;
- Резиновые накладки прижима;
- Рольганг неприводной;
- Рольганг приводной;
- Тележка откатная;
- Лазерный указатель реза;
- Задний упор с УЦИ.
ПромСтройМаш является непосредственным производителем МНГ 16 Мы производим и продаём Ножницы листовые электромеханические МНГ-16 во все регионы РФ и страны ближнего зарубежья, такие как Беларусь, Казахстан. МНГ 16 нашего производства хорошо зарекомендовали себя в Москве, Ярославле, Нижнем Новгороде, Екатеринбурге, Новосибирске и других городах России. Купить МНГ 16 вы можете непосредственно у нас или у наших дилеров. Ширина/Толщина разрезаемых листов, мм 2000/16
