Запросить
коммерческое предложение
коммерческое предложение
Нужна консультация?
Закажите обратный звонок
Мы свяжемся с Вами в ближайшее время
Мы свяжемся с Вами в ближайшее время
Остались вопросы?
Свяжитесь с нами удобным способом
Назначение
Характеристики
Описание
Комплектация
Назначение ножниц гильотинныx электромеханическиx НК3418А
Ножницы гильотинного типа НК3418А широко применяются в различных отраслях промышленности, где требуется высокая точность и скорость обработки материалов.
Электромеханические ножницы гильотинного типа для передвижения секущего ножа применяют электрический двигатель, который приводит в движение ползунок, на котором установлен секущий нож.
Одним из преимуществ электромеханических ножниц гильотинного типа является высокая скорость работы и возможность точной настройки интенсивности сжатия. Благодаря электрическому двигателю, эти ножницы способны производить многочисленные резы в минуту, что делает их идеальными для массовой обработки материалов. Кроме того, электромеханические ножницы обычно обладают большей прочностью и долговечностью.
Базовое климатическое исполнение УХЛ категория размещения 4 по ГОСТ 15150.
Технические характеристики НК3418А
| Толщина разрезаемых листов с временным сопротивлением σвр=450-500 МПа, мм | 6.3 |
| Ширина разрезаемых листов, мм | 2000 |
| Длина листа отрезанного с упором, мм | 500 |
| Частота ходов ножа, холостых на повышенной скорости, мин-1 | 60 |
| Частота ходов ножа на пониженной скорости, мин-1 | 25 |
| Угол наклона подвижного ножа | 1°20´ |
| Ход ножа, мм | 200 |
| Длина | 2870 |
| Ширина | 1750 |
| Высота | 1850 |
| Масса, кг | 4320 |
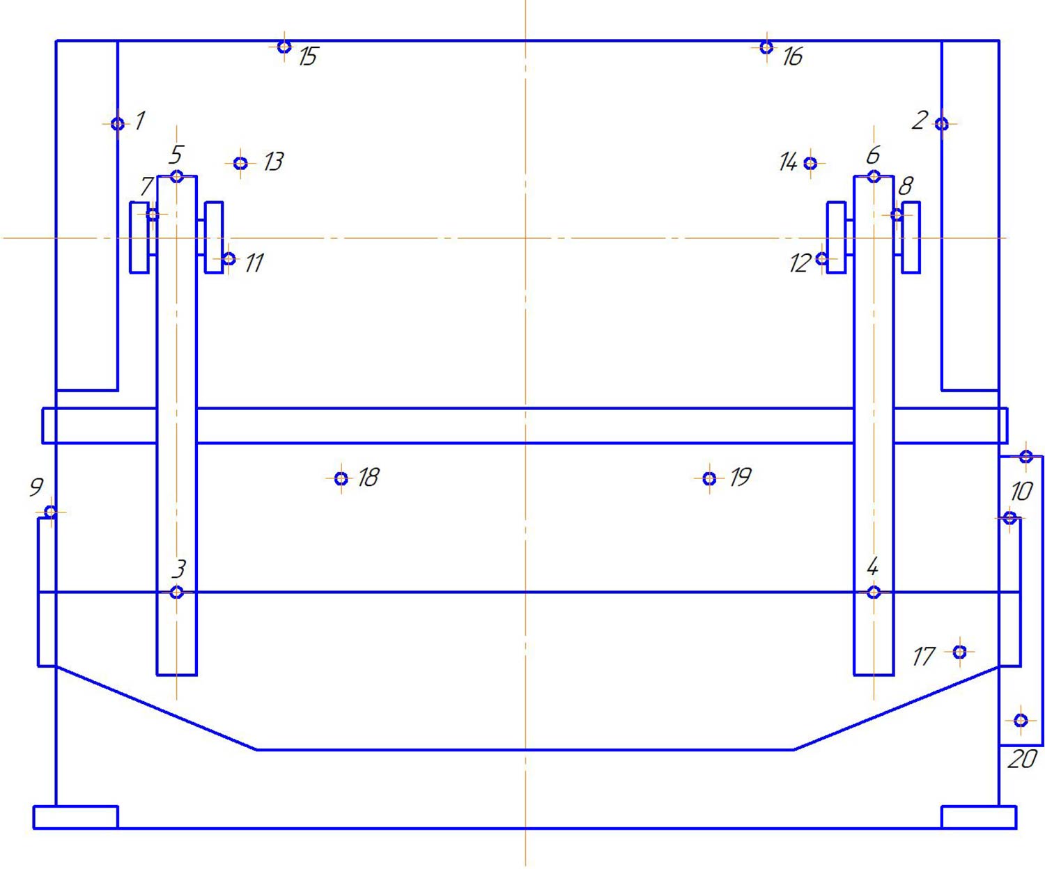
УСТРОЙСТВО И РАБОТА НОЖНИЦ ГИЛЬОТИННЫХ МОДЕЛИ НК3418А
Общий вид ножниц НК3418А

Перечень составных частей
| № | Наименование | Кол-во |
| 1 | Станина | 1 |
| 2 | Привод | 1 |
| 3 | Редуктор | 1 |
| 5 | Механизм реза | 1 |
| 6 | Упор задний | 1 |
| 7 | Упор боковой | 2 |
| 10 | Решетка | 1 |
| 11 | Указатель положения ножевой балки | 1 |
| 12 | Устройство для удержания ножевой балки | 1 |
| 13 | Освещение линии реза | 4 |
| 14 | Педаль электрическая | 1 |
| 15 | Пульт управления | 1 |
| 16 | ШкафРазмещение электроаппаратов в шкафу | 1 |
| 17 | Счетчик оборотов | 1 |
| 18 | Маховик ручного проворота заднего упора | 1 |
| 19 | Электромагнитное управление | 1 |
УСТРОЙСТВО И ПРИНЦИП РАБОТЫ НК3418А
Кинематическая схема ножниц НК3418A.01


Главный привод состоит из электродвигателя 1 (М1), на валу которого сидит шкив 2, связанный клиноременной передачей с маховиком 3, муфта-тормоз 4 передает вращение маховика на редуктор. Маховик установлен на валу 1. На другом конце вала 1 посажена шестерня 5. Шестерня 5 передает вращение зубчатому колесу 6. Колесо 6 закреплено на одном валу с шестерней 7. Шестерня 7 передает вращение зубчатому колесу 8, которое связано с эксцентриковым валом II. На эксцентриковом валу смонтированы шатуны 9, через рычаги 10, 11 взаимодействующие с прижимной балкой 12 и ножевой балкой 13. Ножевая балка смонтирована в направляющих прижимной балки. Рычаги 10, 11 совместно с прижимной балкой 12 и ножевой балкой 13 образуют отдельную сборочную единицу (механизм реза) шарнирно закрепленную в станине на эксцентриковых осях 14. При включении электродвигателя М1 и муфты-тормоза 4 механизм реза движется по траектории А как единое целое, поворачиваясь вокруг осей 14 до соприкосновения прижимной балкой с разрезаемым листом (или столом при отсутствии листа). После остановки прижимной балки ножевая балка с точки В (рис.3) начинает прямолинейное движение по направляющим прижимной балки. При этом в зависимости от толщины листа между ножами автоматически устанавливается необходимый зазор. Так при резке листа толщиной «t» зазор между ножами будет Δ. При резке листа большей толщины t1>t прижимная балка остановится от поверхности стола выше и, соответственно, ножевая балка начнет прямолинейное движение с точки С. Зазор между ножами будет равен Δ1, причем Δ1> Δ. На каждый миллиметр толщины листа увеличение зазора составляет 0,04...0,05 мм. При отсутствии листа зазор между ножами устанавливается с помощью осей 14 равными 0,02...0,03 мм.
Перечень зубчатых колес в кинематической схеме
|
Куда входит |
Поз. рис.4 |
Число зубьев |
Модуль, мм |
Ширина зубчатого колеса, мм |
Материал |
Показатель свойств материала |
|
Редуктор |
5 |
20 = 15˚10" |
5 |
50 |
Сталь 40Х |
240...280 НВ ТВЧ h 0,8...1,2; 52...56 НRCэ |
|
6 |
68 = 15˚10" |
5 |
45 |
Сталь 45 |
210...260 НВ ТВЧ h 0,8...1,2; 52...56 НRCэ |
|
|
7 |
20 |
8 |
70 |
Сталь 40Х
|
200...250 НВ ТВЧ h 0,8...1,2; 52...56 НRCэ |
|
|
Станина |
8 |
58 |
8 |
65 |
Сталь 45
|
52...56 НRCэ |
Станина НК3418А
Все сборочные единицы и агрегаты ножниц смонтированы на станине, представляющей из себя сварную раму, состоящую из боковых стоек, стола траверсы. В расточках станины устанавливается на подшипниках качения эксцентриковый вал. На валу установлены шатуны. На столе станины установлены неподвижные ножи.
Привод НК3418А
Привод смонтирован на траверсе станины и состоит из подмоторной плиты, на которую крепится электродвигатель. На валу электродвигателя посажен шкив. Подмоторная плита шарнирно закреплена на плите. Натяжение ремней производится винтом и гайками.
Редуктор НК3418А
Редуктор выполнен оригинальным, двухступенчатым и предназначен для уменьшения частоты вращения электродвигателя и передачи вращения эксцентриковому валу.
Редуктор крепится к станине и состоит из корпуса. На валу установлена шестерня. На валу установлены шестерни. На фланце установлен кулачок, на кронштейнах установлен ВПК – конечный выключатель для управления работой трехходовым клапаном и контролем верхней мертвой точкой ножевой балки.
Муфта включения

Муфта включения при помощи втулки 2 жестко крепится в ступице колеса 11. При отключенном электромагните втулка 2 свободно вращается с колесом 11, не входя в зацепление с втулкой 7, заклиненной относительно вала 13, шпонкой 12. Втулки 8 и 9 являются подшипниками скольжения.
При включении электромагнита хвостовик 4, расположенный на правом конце шпонки 10, освобождается от упора электромагнита, и пружина 6 приводят в действие рычаг 5. Рычаг 5 поворачивают рабочую шпонку 10 муфты включения, и она занимают рабочее положение, войдя в пазы втулок 7 и 2, жестко связывает их между собой. От колеса 11 через втулки 1, 2, 3 вращение передается втулке 7, от нее через шпонку 12, вращение передается на вал 13. Вал делает один оборот (рабочий ход), хвостовик упирается в палец, поворачивая рабочую шпонку 10 и муфта отключается.
В режиме холостого хода зубчатое колесо свободно вращается на паре подшипников скольжения 8 и 9.
Тормоз НК3418А
.jpg)
На правом конце коленчатого вала насажен тормоз периодического действия. Периодичность торможения достигается за счет эксцентричного расположения шкива 2 по отношению к оси коленчатого вала 1. Это торможение происходит тогда, когда ножевая балка находится в верхнем положении, чем устраняется ее забегание под действием сил инерции.
Электромагнитное управление НК3418А
Для получения одиночных резов переключатель ставится в положение «одиночный ход», положение «кнопки» или педаль. При нажатии на кнопку или педаль включается электромагнит, якорь которого поворачивает вилку с пальцем, освобождая зацепляющийся с ним хвостовик, связанный с рабочей поворотной шпонкой. После того под действием пружин шпонка поворачивается и включает коленчатый вал. Происходит одиночный рез.
Если оператор не отпустит кнопку или педаль в режиме «одиночный ход», блокировка магнитного пускателя по цепи размыкают эту цепь.
Для повторения рабочего хода кнопку или педаль следует отпустить. Для осуществления автоматических ходов переключатель ставится в положение «автоматический ход», положение «кнопки».
Нажатием на пульте пускатель ставится на самопитание и включается электромагнит. Машина работает в режиме «автоматический ход».
Механизм реза
Механизм реза совершает качательное движение и производит рез. Механизм реза смонтирован в проушинах станины на эксцентриковых осях. Эксцентриковые оси позволяют производить регулировку зазора между ножами. Механизм реза состоит из прижимной балки, ножевой балки, стоек. Ножевая балка перемещается в направляющих прижимной балки. Ножевая и прижимная балки связаны между собой системой рычагов и шатуном эксцентрикового вала станины.
Для возврата прижимной балки в верхнее положение служат винтовые упоры. Внизу на ножевой балке крепятся ножи.
Упор задний НК3418А
Устанавливается с тыльной стороны ножевой балки в кронштейнах.
- Ручной задний упор
Упор состоит из планки упорной и двух цилиндрических реек, перемещаемых вручную маховичками, сидящими на валах шестерен, находящихся в зацеплении с рейками. При резке полосы шириной свыше 500 мм задний упор снимается.
2)Механизированный задний упор
Задний упор установлен под плоскостью ребра жесткости ножевой балки. Он состоит из двух кронштейнов, прикрепленных четырьмя болтами к ребру балки. В кронштейнах на подшипниках качения установлены ходовые винты, по ним перемещаются ползушки, в которых расположены гайки, свинченные с винтами. За счет перемещения одной из гаек в осевом направлении регулируются зазоры в винтовой паре. Ходовые винты кинематически соединены между собой посредством промежуточного вала и конических шестерен, что обеспечивает их синхронное вращение. Так же кинематическая цепь включает в себя эл/двигатель (М2). Клиноременной передачей связанный с быстроходным валом червячного редуктора, на тихоходном валу редуктора смонтирована звездочка, которая цепью связана с промежуточным валом и клиноременной передачей с указателем индикации разрезаемой полосы. Для точной установки балки заднего упора предусмотрен ручной проворот вала эл.двигателя М2 маховиком 18 через карданную передачу
Упор боковой
Упор боковой предназначен для упора и параллельного направления листового материала при подаче его в зону резки.
Указатель положения ножевой балки НК3418А
Указатель положения ножевой балки представляет собой стрелку (указатель), закрепленную на ножевой балке и указывающую положение ножевой балки относительно прижимной балки. На прижимной балке имеется паз, по которому перемещается указатель и шкала.
Освещение линии реза НК3418А
Освещение предназначено для получения теневой линии по длине реза при резке по разметке.
Перемещением патрона в осевом направлении достигается четкое изображение теневой линии.
СМАЗОЧНАЯ СИСТЕМА ГИЛЬОТИНЫ НК3418А
Воздух из заводской пневмосети поступает в пневмоблок А1, где происходит подготовка воздуха и подача в пневмосеть станка под определенным давлением. Давление настройки 0,45 МПа. От пневмоблока воздух поступает в пневмораспределитель А2. От пневмораспределителя А2 воздух подается на муфту-тормоз. С пневмоблока воздух подается на два уравновешивателя (рис.6).
Указание по монтажу и эксплуатации системы смазки НК3418А
Перед пуском ножниц необходимо проверить наличие смазки во всех точках смазки.
В редуктор залить масло И-20А ГОСТ 20779-88. Смену масла в редукторе произвести через 100...120 часов. Дальнейшую замену масла производить через 1000 часов. Смазку станка производить согласно схеме смазки и перечня точек смазки.
Перечень точек смазки
|
№ точек по схеме смазки |
Объект смазки |
Смазочный материал |
Способ смазки |
Периодичность смазки |
|
1; 2 |
Направляющие ножевой балки |
ЦИАТИМ-203 ГОСТ 8773-73 |
Шприцевая
|
1 раз в смену |
|
3; 4 |
Эксцентриковые втулки шатунов |
|||
|
5; 6 |
Пальцы шатунов |
|||
|
7; 8 |
Пальцы рычагов ножевой балки |
|||
|
9; 10 |
Подшипники качения |
1 раз в 6 мес. |
||
|
11...14 |
Втулки рычагов механизма реза |
1 раз в 3 мес. |
||
|
15...17 |
Подшипники уравновешивателей и маховика |
|||
|
18, 19 |
Рейки заднего упора |
1 раз в смену |
||
|
20 |
Полости редукторов главного привода |
Масло И-20А ГОСТ 20779-88 |
Слив
Залив |
1 раз в 6 мес. |
Схема точек смазки НК3418А

ТРАНСПОРТИРОВКА И УСТАНОВКА НК3418А
Распаковка
При получении ножниц следует убедиться, нет ли повреждений, вызванных транспортировкой.
При вскрытии упаковки проверить внешнее состояние станка, наличие принадлежностей и техдокументации согласно упаковочному листу.
Транспортирование НК3418А
Ножницы поставляются заводом-изготовителем в частичной упаковке.
При транспортировке краном следует стропить так, как это показано на рисунке (рис.8).
От повреждений следует подложить под канаты деревянные бруски или рейки толщиной до 50 мм, а в местах контакта канат обернуть ветошью.
При транспортировке нельзя использовать маховички, рукоятки и другие выступающие детали для зачаливания или как точки опоры при перемещении на катках.
Схема строповки станка НК3418А

Монтаж
Ножницы устанавливаются на фундамент. Крепятся на фундаменте 4-мя болтами диаметром 20 мм.
Горизонтальное положение ножниц на фундаменте обеспечивается с помощью клиньев и проверяется уровнем, установленным на столе установки. Точность расположения ножниц в продольном и поперечном направлениях должна быть в пределах 0,2 мм на длине 1000 мм.
Горизонтальность стола станка должна проверяться 1 раз в месяц.
Подготовка к первоначальному пуску НК3418А
Перед пуском ножниц необходимо убрать (выкрутить) болты связывающие боковые стенки с ножевой балкой.
Перед пуском необходимо ознакомиться с настоящим руководством и произвести подготовку ножниц к первоначальному пуску.
Прежде всего, необходимо снять антикоррозийное покрытие и тщательно вытереть чистыми тряпками, а затем покрыть тонким слоем масла «Индустриальное И-20А» ГОСТ 20799-88, для предохранения от коррозии.
Категорически запрещается при обтирке применять металлические скребки или наждачную бумагу.
После очистки от антикоррозийного покрытия ножницы и электрошкаф необходимо заземлить, выполнить все необходимые указания, изложенные в разделах «Смазка», «Пневмосистема», «Электрооборудование», относящиеся к пуску.
ПОРЯДОК РАБОТЫ НК3418А
После подключения к электро-пневмосетям проверить работу ножниц в режиме «Ручной проворот».
Затем проверить зазор между ножами. Зазор между ножами выставляется поворотом эксцентрикового механизма реза и должен быть в пределах 0,02...0,03 мм. После выставления заданного зазора между ножами произвести ход ползуна в режиме «Ручной проворот», затем произвести включение в работу в режиме «Одиночный ход» и в режиме «Непрерывные хода» в течение 1 часа.
Во всех режимах проверить четкость работы всех исполнительных органов, срабатывание конечных выключателей, отсутствие нагрева в трущихся поверхностях.
Давление воздуха в пневмосети станка настроить 0,45 МПа на пневмоблоке.
Регулировка перепада открытой высоты прижимной балки и ножа в начале реза достигается винтами и гайками. Перепад открытой высоты прижимной балки и ножа устанавливается 3….4 мм.
ХАРАКТЕРНЫЕ НЕИСПРАВНОСТИ НК3418А И МЕТОДЫ ИХ УСТРАНЕНИЯ
Возможные неполадки в работе ножниц, их причины и способы устранения указаны
|
Неполадки в работе |
Причины неполадок |
Способы устранения неполадок |
|
1. Не включается электродвигатель. |
Сгорела плавкая вставка предохранителей в ящике. |
Заменить сгоревшую плавкую вставку. |
|
2. При отключении муфты срабатывают микропереключатели воздухораспределители и отключают электродвигатель привода. |
Неисправность платы блока (выход из строя одного из оконечных триодов). |
Заменить неисправную плату резервной. |
|
3. Не горят сигнальные лампы на панели сигнализации . |
Сгорела плавкая вставка предохранителя (на панели сигнализации ). |
Заменить сгоревшую плавкую вставку. |
|
4. Падение давления в пневмосистеме без уменьшения расхода сжатого воздуха. |
Негерметичность соединений воздухопровода. |
Проверить и в случае необходимости подтянуть винты на пневмоаппаратах и уплотнить резьбовые соединения воздухопровода. |
|
5. Влагоотделитель не очищает сжатый воздух. |
Большое количество конденсата в стакане влагоотделителя. Износ манжет поршня клапана трехходового сдвоенного сблокированного. Плохой контакт в кнопке «Пуск». |
Спустить конденсат.
Заменить манжеты.
Зачистить контакты. |
|
6. Муфта-тормоз нагревается выше допустимого. |
Установлен малый ход цилиндра. |
Установить нормальный ход. |
|
7. Электродвигатель при пуске не вращается или вращается, не развивая полных оборотов. |
Обрыв в питающей сети в пусковой аппаратуре. Повышенный зазор между тормозным диском и вкладышем (накладкой) в муфте-тормозе. В полость тормоза попало масло. |
Проверить электросхему и устранить обрыв. Отрегулировать зазор.
Разобрать и промыть детали тормоза. |
|
8. При нажатии кнопки или на педаль не происходит включения привода станка. |
Неполадки в электросхеме.
Низкое давление воздуха в пневмосети установки. Износ фрикционных накладок в муфте-тормозе.
Загрязнился металлокерамический фильтр. |
Зачистить контакты, проверить исправность реле и пускателей. Повысить давление воздуха до уровня рабочего. Отрегулировать зазор или заменить вкладыши (накладки). Снять и прочистить фильтр. |
|
9. Произвольное опускание ножевой балки. |
Разрегулирован тормоз. |
Отрегулировать тормоз. |
|
10. Регулятор давления не очищает сжатый воздух. |
Неплотное прилегание клапана.
Защемление толкателя клапана при его движении в направляющей втулке. |
Проверить состояние резинового вкладыша клапана, при необходимости заменить. Проверить состояние поверхности толкателя клапана и втулки. Исправить поверхность толкателя клапана и втулки, а при необходимости заменить. |
|
11. Маслораспылитель не подает распыленное масло. |
Засорился дроссель или маслораспылительные трубки. |
Снять маслораспылитель и прочистить дроссель и маслопроводные трубки. |
|
12. В трехходовом сдвоенном клапане нарушена синхронизация работы клапана. |
Установлены пружины разного усилия. |
Заменить пружины. Установить пружины равного усилия. |
|
13. Не осуществляется снятие напряжений в электрической цепи при пневмоблокировке. |
Вышел из строя один из сблокированных выключателей. Прорыв в воздушной камере муфты-тормоза. Не включается электромагнит включающего вентиля трехходового сдвоенного клапана. |
Заменить выключатель
Заменить манжеты или поврежденные детали. Заменить манжеты или поврежденные детали. Устранить неисправности в электромагните или заменить его. |
|
14. Подшипники скольжения шатуна греются, в выступающей смазке находятся частицы бронзы |
Малый зазор между втулкой и эксцентриком. Отсутствует смазка. Засорились смазочные канавки. |
Пришабрить втулки.
Проверить поступление смазки от насоса. Промыть канавки, смазать втулки чистой смазкой. |
|
15. Ножевая балка не скользит в направляющих, а поднимается одновременно с боковыми стойками и прижимной балкой. |
Отсутствует смазка.
Перетянуты винты фиксации боковых планок. |
Проверить поступление смазки. Отпустить винты, установить планки с зазором к торцу ножевой балки. |
|
16. Ножевая балка не останавливается в верхней мертвой точке. |
Имеются лопнувшие пружины в муфте-тормозе. |
Заменить лопнувшие пружины |
ОСОБЕННОСТИ РАЗБОРКИ И СБОРКИ НК3418А ПРИ РЕМОНТЕ
Приступая к разборке, необходимо отключить ножницы от электросети, отключить от заводской пневмосети и выпустить сжатый воздух, оставшийся в пневмосети установки, зафиксировать ножевую балку в верхнем положении. При выполнении и разборке ножевой балки снять уравновешиватели.
При разборке и сборке отдельных сборочных единиц следует руководствоваться приведенными в настоящем «Руководстве по эксплуатации» описаниями и чертежами.
МЕРЫ БЕЗОПАСНОСТИ
Необходимо соблюдать все общие правила техники безопасности при работе ножниц.
При транспортировке к месту монтажа, монтаже, подготовке к пуску и наладке ножниц все работы производить в строгом соответствии с соответствующими разделами настоящего руководства.
Во время работы необходимо следить за тем, чтобы ножевая балка останавливалась в крайнем верхнем положении.
Это достигается регулировкой положения кулачка и конечного выключателя ВПК, управляющего трехходовым клапаном.
При выполнении ремонтных работ, ножевую балку необходимо закрепить в крайнем верхнем положении.
Выполнение регулировок, настройку на выбранный режим производить при полностью установленных и надежно закрепленных ограждениях.
Приступая к работе на ножницах, необходимо перед пуском проверить готовность ножниц к работе:
- проверить наличие ограждений;
- проверить наличие давления сжатого воздуха в пневмосистеме;
- слить конденсат из влагоотделителя, проверить наличие заземления.
Если во время работы произошла неисправность, необходимо сообщить о ней сменщику.
Содержать рабочее место возле ножниц сухим и незахламленным посторонними предметами.
Во время работы необходимо для подналадок и регулировок станка вызвать наладчика или мастера.
Для защиты органов слуха необходимо применять противошумные наушники по ГОСТ 12.4.051-87.
ВНИМАНИЕ!
Для полной гарантии безопасности работы на ножницах категорически запрещается:
- допускать к работе на ножницах лиц, не имеющих необходимой квалификации и не прошедших инструктаж по технике безопасности;
- выполнять на ножницах технологические операции, которые превышают силовые и технологические возможности;
- работать на неисправных ножницах;
- при установке новых ножей на механизме реза необходимо на крайнем ноже сделать заходную фаску.
ЭЛЕКТРООБОРУДОВАНИЕ НОЖНИЦ НК3418А
Род тока – переменный, 3-х фазный.
Напряжение – 380; 50Гц.
Напряжение цепей управления:
- переменного тока – 110В; 50Гц;
Напряжений цепей сигнализации – 24В; 50Гц.
Напряжение цепей освещения – 24В; 50Гц.
Шкаф управления установлен на левой стойке станины. На правой стенке шкафа установлены: переключатель режимов работы и педаль. На левой стенке шкафа установлен вводный автомат.
Описание работы НК3418А
Электрическая схема ножниц предусматривает следующие режимы:
- отключено;
- ручное управление;
- педальное управление;
- автоматический цикл.
Символы органов управления показаны на рисунке 14.
Выбор режимов осуществляется переключателем SА, установленным на правой стенке шкафа.
Ручное управление
Переключатель режимов SA ставится в положение «Ручное управление», при нажатии кнопки SB4 происходит одиночный цикл: включается реле KМ1, и включает электромагнит YА, который включает муфту.
Педальное управление
Переключатель режимов SA ставится в положение «Педальное управление», и при нажатии педали SB5 происходит одиночный цикл.
Автоматический цикл
Переключатель режимов SA ставится в положение «Автоматический цикл», и при нажатии кнопки SB4 включается KМ1 и становится на самопитание, электромагнит YА постоянно включен, происходят непрерывные хода (циклы) ножевой балки. Отключение производится кнопкой SB3.
Защита и блокировка
Защита схемы осуществляется автоматическими выключателями. Тепловая защита двигателя осуществляется тепловым реле. Электросхемой предусмотрена блокировка – невозможность работы ножниц, если решетка снята, то есть конечный выключатель SQ должен быть нажат.
Сигнализация и местное освещение НК3418А
Электросхемой предусмотрена следующая сигнализация:
- наличие напряжения HL1;
- двигатель включен HL2;
- автоматические циклы HL3;
- одиночные циклы HL4;
- педаль HL5.
Для освещения линии реза предусмотрена лампа местного освещения.
Указания по монтажу и эксплуатации НК3418А
Ножницы должны быть надежно заземлены.
Эксплуатация электрооборудования ножниц должна производится в соответствии с «Правилами технической эксплуатации электроустановок потребителей и правилами техники безопасности при эксплуатации электроустановок потребителей».
нк3418 ножницы гильотинные устранение неисправностей, 3418А пульт управдения ножницпми нк3418 б нк3418. нк3418 ножницы электттросхема, нк3418 ножницы электросхема гильотинные кривошипные ножницы НК3418А; втулки скольжения гильотины нк3418. силы действующие при резки и направление их действия нк3418, нк3418а система смазки на гильотинных ножницах 3418 изготовить
По Техническому Заданию заказчика ножницы модели НК могут изготавливаться с шириной стола до 3150 мм, толщиной резки до 20 мм, при этом могут измениться габаритные размеры и масса ножниц. Подробное ТКП можно получить после предоставления Технического Задания.Технические изменения, существенно не влияющие на характеристики ножниц, завод-изготовитель оставляет за собой.
Стандартная комплектация НК3418А
- НК3418А, Ножницы в сборе;
- НК3418А.03.000Пульт управления с педалью;
- НК3418А300.00.001 РЭ Механическая часть;
- НК3418А.00.001 РЭ1Электрооборудование;
- НК3418А.00.001;Технический паспорт;
- Задний упор 500мм;
- Прижим листа установлен на ножницах;
- Ножная педаль с клавишей аварийного останова.
- Светодиодная линия освещения рабочей зоны.
Дополнительные опции НК3418А
- Угловая линейка 0-180;
- Передние удлинители стола;
- Боковой упор;
- Резиновые накладки прижима;
- Рольганг неприводной;
- Рольганг приводной;
- Тележка откатная;
- Лазерный указатель реза;
- Задний упор с УЦИ.
ПромСтройМаш является непосредственным производителем НК3418А Мы производим и продаём Ножницы листовые электромеханические НК-3418А во все регионы РФ и страны ближнего зарубежья, такие как Беларусь, Казахстан. НК3418А нашего производства хорошо зарекомендовали себя в Москве, Ярославле, Нижнем Новгороде, Екатеринбурге, Новосибирске и других городах России. Купить НК3418А вы можете непосредственно у нас или у наших дилеров. Ширина/Толщина разрезаемых листов, мм 2000/6,3
