Запросить
коммерческое предложение
коммерческое предложение
Нужна консультация?
Закажите обратный звонок
Мы свяжемся с Вами в ближайшее время
Мы свяжемся с Вами в ближайшее время
Остались вопросы?
Свяжитесь с нами удобным способом
Назначение
Характеристики
Описание
Комплектация
Назначение ножниц гильотинныx электромеханическиx МНГ16х2500
Ножницы гильотинные модели МНГ16х2500 (в дальнейшем ножницы), предназначены для резки листовой стали с временным сопротивлением σвр= 450-500 МПа.
При комплектации сортовой секцией используются для резки сортового проката.
Ножницы могут применяться в заготовительных и ремонтных цехах предприятий машиностроения, различных отраслей промышленности.
Климатическое исполнение УХЛ категория 4 по ГОСТ 15105-69.
Технические характеристики МНГ16х2500
| Толщина разрезаемых листов с временным сопротивлением σвр=450-500 МПа, мм | 16 |
| Ширина разрезаемых листов, мм | 2500 |
| Длина листа отрезанного с упором, мм | 500 |
| Угол наклона подвижного ножа | 2°10´ |
| Мощность электродвигателя главного привода, кВт | 37 |
| Тип муфты | с поворотной шпонкой |
| Тип тормоза | ленточный |
| Система смазки | пресс-масленки, ручная |
| Режим работы | одиночный и автоматический ход |
| Управление | кнопочное, педальное |
| Длина | 3540 |
| Ширина | 2700 |
| Высота | 2340 |
| Масса, кг | 9040 |
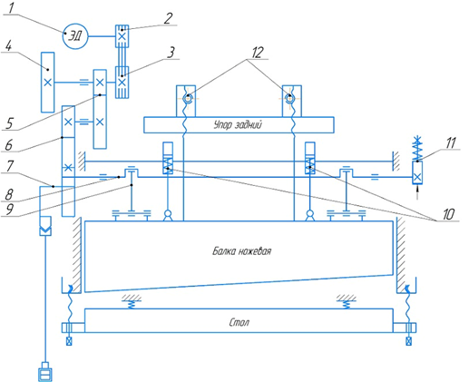
УСТРОЙСТВО И РАБОТА НОЖНИЦ МНГ16х2500
Общий вид с обозначением составных частей ножниц МНГ16х2500
.jpg)
1 - Станина
2 - Привод
3 - Балка ножевая
4 - Прижим
5 - Упор задний
6 - Валы приводные
7 - Муфта включения
8 - Уравновешиватель
9 - Электромагнит
10 - Тормоз
11 - Ограждение
12 - Решетка защитная
13 - Электрооборудование
14 - Пульт управления
Станина ножниц МНГ16х2500
Все механизмы и узлы установки смонтированы на станине.
Станина представляет собой сварную конструкцию, состоящую из двух стоек, связанных между собой стяжками и столом. Стол крепится к стойкам болтами. К столу винтами крепятся нижние ножи. Для удаления отрезанных заготовок предусмотрен склиз.
Привод ножниц МНГ16х2500
Электродвигатель ножниц шарнирно закреплен на плите станины. Регулировка натяжения клиновых ремней осуществляется изменением угла наклона электродвигателя с помощью натяжного винта.
Муфта включения ножниц МНГ16х2500
Муфта включения при помощи втулки 2 жестко крепится в ступице колеса 12. При отключенном электромагните втулка 2 свободно вращается с колесом 12, не входя в зацепление с втулкой 7, заклиненной относительно вала 14, шпонкой 13. Втулки 8 и 9 являются подшипниками скольжения.
При включении электромагнита хвостовик 4, расположенный на правом конце шпонки 10, освобождается от упора электромагнита, и пружины 6 приводят в действие рычаги 5. Рычаги 5 поворачивают рабочую 10 и запорную 11 шпонку муфты включения, и они занимают рабочее положение, войдя в пазы втулок 7 и 2, жестко связывают их между собой. От колеса 12 через втулки 1, 2, 3 вращение передается втулке 7, от нее через шпонку 13, вращение передается на вал 14. Вал делает один оборот (рабочий ход), хвостовик упирается в палец, поворачивая рабочую шпонку 10 и, одновременно, через рычаги 5 запорную шпонку 11, муфта отключается.
В режиме холостого хода зубчатое колесо свободно вращается на паре подшипников скольжения 8 и 9.
Ножевая балка
Ножевая балка представляет собой сварную конструкцию Г-образной формы, усиленную ребрами жесткости. К балке винтами крепятся ножи для резки.
Прижим и защитная решетка
Во время работы ножниц разрезаемый лист прижимается к столу прижимной балкой. При движении ножевой балки вниз прижимная балка зажимает лист, а затем начинается рез. Подъем прижима осуществляется упорами ножевой балки, упирающимися в платики прижима.
Регулировка усилия прижима производится гайками, сжимающими пружину прижимной балки.
К направляющим планкам прижима жестко закреплена защитная решетка, предохраняющая руки рабочего от попадания под прижим. При снятой защитной решетке срабатывает электрическая блокировка, и ножницы автоматически отключаются.
Упор задний ножниц МНГ16х2500
Установка снабжена задним упором для резки листа заданного размера. Задний упор состоит из упорной линейки и двух цилиндрических реек, перемещаемых вручную. При резке листа длиной более 500 мм уголок упора снимается.
Для резки сортового проката на ножницах предусмотрен упор для сортовых ножей.
Уравновешиватели ножниц МНГ16х2500
Уравновешиватели служат для компенсации веса ножевой балки, снижение динамических нагрузок при работе на ножницах.
Уравновешиватель состоит из двух наборов пружин, установленных в стаканах, приваренных к швеллерной коробке станины.
Штоки уравновешивателя шарнирно соединены с ножевой балкой.
Ограждения ножниц МНГ16х2500
Ограждения ножниц сварной конструкции выполнено из тонколистовой стали. Состоит из кожухов, которые закрывают шкив мотора, маховик, клиноременную передачу шестерни и зубчатые колеса. Все ограждения крепиться к станине болтами.
Кинематическая схема ножниц МНГ16х2500
Ножницы приводятся в движение электродвигателем 1. Шкив ведущий 2, сидящий на валу электродвигателя, с помощью клиноременной передачи, приводит во вращение шкив ведомый 3. Шкив ведомый 3 закреплен на приводном валу I. На другом конце вала I закреплен маховик инерционный 4. С вала I на вал II движение передается через зубчатую передачу первой ступени 5. С вала II на эксцентриковый вал 8, он же вал III, движение передается через зубчатую передачу второй ступени 6, при включении муфты включения 7. На эксцентриковом валу 8 расположены шатуны 9, которые обеспечивают движение ножевой балки. На ножевой балке закреплены уравновешиватели ножевой балки 10. Остановка эксцентрикового вала в верхней мертвой точке производится за счет тормозного устройства 11. Движение заднего упора обеспечивает реечная передача перемещения заднего упора 12.

СМАЗКА НОЖНИЦ МНГ16х2500

|
№ |
Точка |
Кол-во точек |
Способ |
Смазочнный материал |
Период |
|
1 |
Букса правая |
1 |
Шприцевание
|
ЦИАТИМ-203 ГОСТ 8773-73 |
1 раз в смену (8 часов)
|
|
2 |
Букса левая |
1 |
|||
|
3 |
Шатун |
2 |
|||
|
4 |
Палец ножевой балки |
2 |
|||
|
5 |
Ножевая балка |
2 |
|||
|
6 |
Прижимная балка |
2 |
|||
|
7 |
Подшипники I вала |
1 |
Набивка
|
1 раз в 6 месяцев
|
|
|
8 |
Втулки скольжения II вала |
1 |
|||
|
9 |
Муфта включения |
3 |
Шприцевание |
1 раз в смену (8 часов)
|
|
|
10 |
Зубья шестерен |
4 |
В ручную |
||
|
11 |
Рейка заднего упора |
2 |
В ручную |
||
|
12 |
Винт перемещения стола |
2 |
В ручную |
||
|
13 |
Механизм включения |
2 |
Шприцевание |
Подача смазки осуществляется до тех пор, пока смазка не начнет выступать с боков смазываемых поверхностей.
ТОЛЬКО ЭТО ДАЕТ ВОЗМОЖНОСТЬ КОНТРОЛИРОВАТЬ ДОСТАТОЧНОСТЬ СМАЗКИ.
Выступающую из зазоров смазку необходимо удалить ветошью.
Необходимо периодически проверять состояние масленок и маслопроводящих отверстий.
НЕ РЕЖЕ ОДНОГО РАЗА В ТРИ МЕСЯЦА СМАЗОЧНЫЕ ОТВЕРСТИЯ СЛЕДУЕТ ПРОМЫВАТЬ БЕНЗИНОМ.
ПОРЯДОК УСТАНОВКИ НОЖНИЦ МНГ16х2500
Ножницы поставляются заказчику в собранном виде.
Подъем ножниц в распакованном виде следует производить за отверстия в станине, согласно схеме, приведенной на рисунке.
Схема строповки ножниц МНГ16х2500

После монтажа ножниц на фундаменте необходимо провести расконсервацию. Снятие антикоррозийного покрытия осуществляется деревянной лопаточкой и ветошью, смоченной бензином Б-70 ГОСТ 51-82.
Расконсервированные обработанные поверхности во избежание коррозии покрыть тонким слоем масла «Индустриальное 80» ГОСТ 20799-88.
Фундамент ножниц МНГ16х2500
.jpg)
1. Глубина заложения фундамента H принимается в зависимости от грунта.
2. Колодцы 150 заливаются после установки оборудования на основание фундамента, предварительно вставив в них анкерные болты M24.
3. *Размеры для справок.
ПОРЯДОК РАБОТЫ НОЖНИЦ МНГ16х2500
Подготовка к первоначальному пуску ножниц МНГ16х2500
Требования, изложенные ниже, обязательны при пуске ножниц после монтажа, а также после ремонта или длительного перерыва в эксплуатации.
- Демонтировать защитный кожух, ослабить натяжения ремней, демонтировать ремни.
- Заземлить ножницы, подключить ее к электросети, проверив соответствие напряжения сети и электрооборудования ножниц.
- Подключить педаль.
- Выполнить указания, изложенные в разделе Смазка.
- Проверить затяжку всех болтов и их стопорение.
- Включить вводный автомат.
- Включить электродвигатель привода нажатием кнопки «Пуск» и разогнать маховик. Проверить направление вращения шкива двигателя. Шкив должен вращаться по часовой стрелке, если смотреть на него со стороны шкива. При вращении в противоположном направлении сменить чередование фаз на вводных клемниках.
- Повторить пункт 7.
- Установить и натянуть ремни.
- Установить защитный кожух.
Приступая к работе, необходимо выполнить следующие требования:
- Смазать ножницы.
- Настроить задний упор на требуемую длину реза заготовок. Расстояние от режущих кромок нижнего ножа до заднего упора определяется по линейкам, укрепленным на рейках заднего упора.
- Установить необходимый зазор между верхними и нижними ножами. Для этого необходимо ослабить болты, которыми крепится стол к станине. Вращая вручную маховик по стрелке, указанной на кожухе, опускать ножевую балку вниз до перекрытия ножей стола и ножевой балки (10 мм. – перекрытие ножей).
Подвинуть стол вперед и установить необходимый зазор, затем, опуская ножевую балку вниз, промерить зазор по всей длине ножей слева направо. После установки зазора затянуть болты. Движение стола назад относительной ножевой балки осуществляется болтами. Зазоры между направляющими и ножевой балкой обеспечить прокладками. Величина зазора устанавливается согласно таблице
|
Толщина разрезаемого листа, мм |
1,5-3 |
3-5 |
6-8 |
10-12 |
13-16 |
|
Величина зазора, мм |
0,2 |
0,3 |
0,45 |
0,6 |
0,9 |
- Включить муфту при максимальных оборотах маховика.
- Сделать несколько холостых ходов, убедиться, что ножницы работают исправно.
Во время работы:
- Не допускать к ножницам посторонних лиц.
- НЕ ДОПУСКАТЬ РЕЗКИ ЛИСТОВ МАКСИМАЛЬНОЙ ТОЛЩИНЫ С ПРЕДЕЛОМ ПРОЧНОСТИ БОЛЕЕ 500 МПа. В случае резки листа с пределом прочности выше 500МПа, максимально допустимая толщина его рассчитывается по формуле:
Максимальная толщина листа с пределом прочности более 500МПа определяется по формуле: δх=δ х √(500/σх )мм.
где δх – максимально допустимая толщина листа с пределом прочности более 500МПа
δ – максимально допустимая толщина реза указанная в характеристике ножниц, мм
σх – предел прочности разрезаемого листа, МПа.
- НЕ ДОПУСКАТЬ РЕЗКИ ЛИСТОВ ЗАТУПЛЕННЫМИ НОЖАМИ. Ножи выполнены с четырьмя режущими кромками, при затуплении режущих кромок ножи периодически переворачиваются. Затупившиеся ножи необходимо перешлифовать.
- При резке заготовок длиной более 800 мм. во избежание утяжки листа применять опоры для поддержании отрезаемой заготовки.
- При отсутствии электроэнергии выключить вводный автоматический выключатель на электрошкафу.
По окончании работы:
- Остановить привод ножниц.
- Выключить вводный автоматический выключатель.
- Произвести уборку ножниц и смазать ее.
- Сообщить сменщику обо всех замеченных неполадках.
Регулировка зазора ножниц МНГ16х2500

Правила эксплуатации ножниц МНГ16х2500
Оборудование должно эксплуатироваться в режиме односменной работы (не более 8 рабочих часов в сутки). Несоблюдение данного правила эксплуатации является причиной преждевременного износа и выхода оборудования из строя.
ХАРАКТЕРНЫЕ НЕИСПРАВНОСТИ НОЖНИЦ МНГ16х2500 И МЕТОДЫ ИХ УСТРАНЕНИЯ
Перечень наиболее часто встречающихся неисправностей приведен
|
Неисправность |
Причина |
Способ устранения |
|
1.Подшипники скольжения шатунов, букс греются, в смазке находятся частицы бронзы |
а) малый зазор между шейками валов и вкладышами б) отсутствует смазка |
а) пришабрить вкладыш
б) проверить поступление смазки |
|
2.Тугое скольжение ножевой балки |
а) износ прокладок б) отсутствует смазка |
а) заменить прокладки б) проверить поступление смазки |
|
3. В режиме одиночного хода ножевая балка не останавливается в верхней точке |
а) изношена тормозная лента тормоза б) ослаблена пружина в) на тормозной барабан попало масло г) износ деталей муфты включения д) разрегулировано электромагнитное управление е) износ деталей электромагнитного управления ж) не срабатывает муфта включения |
а) сменить ленту
б) подтянуть пружину в) удалить смазку с рабочей поверхности тормоза г) заменить изношенные детали д) отрегулировать электромагнитное управление е) заменить изношенные детали ж) отрегулировать муфту включения |
|
4. При нажатии на кнопки или педаль не происходит включение ножниц |
Неполадка в электросхеме |
Зачистить контакты, проверить исправность пускателей, проверить исправность предохранителей |
|
5. Электродвигатель при пуске не развивает полных оборотов |
а) обрыв питающей цепи
б) неполадка в пусковой аппаратуре |
а) проверить по схеме и устранить б) проверить по схеме и устранить |
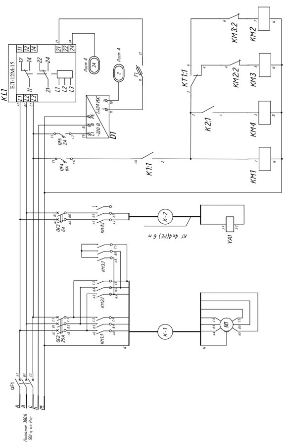
ЭЛЕКТРООБОРУДОВАНИЕ НОЖНИЦ МНГ16х2500
Род тока – переменный, 3-х фазный.
Напряжение – 380; 50Гц.
Напряжение цепей управления, сигнализации и освещения: 24В постоянного тока;
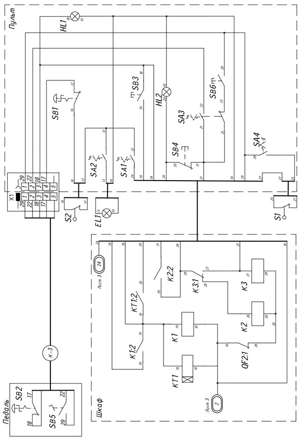
Шкаф управления установлен на агрегате. На правой стенке шкафа установлен вводный автомат. Все кнопки и переключатели установлены на панели управления.
Описание работы ножниц МНГ16х2500
Электрическая схема ножниц предусматривает следующие режимы:
- отключено;
- ручное управление;
- педальное управление;
- автоматический цикл;
- одиночный ход.
Выбор режимов осуществляется переключателями, установленным на пульте управления.
Запуск главного двигателя в обратном направлении ЗАПРЕЩЕНО, т.к приведет к риску получения травм из-за выхода из строя механизма включения муфты. Важно помнить, что пуск двигателя производится по двум схемам, разгон в сборке «звезда» и выход на номинальные обороты в сборке «треугольник» и поэтому занимает какое-то время от 30-60 сек. Реле КТ1 время разгона и КТ2 время переключения между сборками.
Запуск главного двигателя осуществляется кнопкой SB2 (2) после включения вводного автоматического выключателя SQ1 на боковой стенке электрошкафа, при условии правильного подключения чередования фаз. Реле асимметрии фаз KL1 проводит проверку и подаёт напряжение цепи управления на ключ марку SA1(3) через защитный конечный выключатель S2 на защитном экране, который питает схему управления через стоповые кнопки с фиксацией SB1, SB2.
Переключатель режимов SA3 (7) ставится в положение «Ручное управление», при нажатии кнопки SB6 (10) происходит одиночный цикл: включается реле K2, которое включает КМ4 и включает электромагнит YА1, который включает муфту.
Переключатель режимов SA3(7) ставится в положение «Педальное управление», и при нажатии педали SB5 на стойке происходит одиночный цикл.
Переключатель режимов SA4(8) ставится в положение «Непрерывный цикл», и при нажатии кнопки SB6(10) либо SB5 включается K2 и КМ4, которое становится на самопитание, электромагнит YА1 постоянно включен, происходят непрерывные хода (циклы) ножевой балки. Отключение производится кнопкой SB4(6).
Защита схемы осуществляется автоматическими выключателями. Электросхемой предусмотрена блокировка – невозможность работы ножниц, если не соответствует подключенное питание правильному чередованию фаз, если решетка снята, то есть конечный выключатель S2 должен быть нажат. Ножницы должны быть надежно заземлены.
Органы управления ножниц электромеханических МНГ16х2500
Общий вид панели управления с перечнем органов управления

1 – Индикатор «Сеть»; 2 – Индикатор «Работа двигателя»; 3 – Ключ «Включение схемы»;
4 – Кнопки «Пуск» Главного привода; 5 – Переключатель «Освещение рабочей зоны»;
6 – Кнопка «Стоп» непрерывных ходов; 7 – Переключатель «Управление кнопкой / Педалью»;
8 – Переключатель «Одиночный /Непрерывный ход»; 9 – Общий стоп; 10 – Пуск реза
Принципиальная электрическая силовая схема ножниц МНГ16х2500

Принципиальная электрическая схема управления ножниц МНГ16х2500

По Техническому Заданию заказчика ножницы модели МНГ могут изготавливаться с шириной стола до 3150 мм, толщиной резки до 20 мм, при этом могут измениться габаритные размеры и масса ножниц. Подробное ТКП можно получить после предоставления Технического Задания.Технические изменения, существенно не влияющие на характеристики ножниц, завод-изготовитель оставляет за собой.
Стандартная комплектация МНГ16х2500
- Ножницы в сборе;
- Пульт управления с педалью;
- Паспорт (Руководство по эксплуатации);
- Декларация о соответствии требованиям ТР ТС
- Задний упор 500мм;
- Прижим листа установлен на ножницах;
- Ножная педаль;
- Сортовые ножи для резки уголка и прутка;
- Светодиодная линия освещения рабочей зоны.
Дополнительные опции МНГ16х2500
- Угловая линейка 0-180;
- Передние удлинители стола;
- Боковой упор;
- Задний упор 1000мм;
- Резиновые накладки прижима;
- Рольганг неприводной;
- Рольганг приводной;
- Тележка откатная;
- Лазерный указатель реза;
- Задний упор с УЦИ.
ПромСтройМаш является непосредственным производителем МНГ16х2500 Мы производим и продаём Ножницы гильотинные электромеханические МНГ16х2500 во все регионы РФ и страны ближнего зарубежья, такие как Беларусь, Казахстан. МНГ16х2500 нашего производства хорошо зарекомендовали себя в Москве, Ярославле, Нижнем Новгороде, Екатеринбурге, Новосибирске и других городах России. Купить МНГ16х2500 вы можете непосредственно у нас или у наших дилеров. Ширина/Толщина разрезаемых листов, мм 2500/16

